ステップアップ回路実習組み立てキット KENTAC2920 - 製品案内
SEARCH
KenTacの製品を探す
- カテゴリーから探す
- 型式・キーワードから探す
- 学習内容から探す
ステップアップ回路実習組み立てキット KENTAC2920

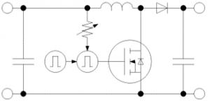
- デジタル式DC/DCコンバータ作成キット
- 部品と基板で供給します
学習項目
- 波形観測(オシロスコープが必要です)
- 製作実習(半田コテが必要です)
- 2重層コンデンサの充電
- 方形波PWMの観測(FETゲート)
- ステップアップ回路の原理学習
- ステップアップ後の負荷の変化

仕様
- タイマーIC(555):2個、トランジスタ :1個
- パワーMOSFET:1個、インダクタ(約2A、2mH):1個
- 電気2重層コンデンサ:1個。両面基板:1枚
- 2P端子台:2個、付属の抵抗・コンデンサ類:1式
- 波形観測Pin:1式、押しボタンスイッチ:1個
- 負荷用24Vモータ:1台、1.5V乾電池:2個
- 電池ホルダ 1個